By STMicroelectronics 901
M41ST85WMH6F is a real-time clock (RTC) chip produced by STMicroelectronics. RTC chips play a vital role in embedded systems and electronic devices for tracking time and date. This kind of chip usually integrates multiple functions, such as clock, calendar, temperature sensor and non-volatile storage. These features make RTC chips an indispensable component in many applications, from basic date and time display to more complex tasks such as event recording, schedule scheduling, and timestamp recording.

Ⅰ.Specifications of M41ST85WMH6F
•Package:Reel
•Height:2.69 mm
•Number of pins:28
•Product type:real-time clock
•Power dissipated:1000 mW
•Package/Box:SOH-28
•RTC bus interface:Serial
•Installation style:SMD/SMT
•Time format:HH:MM:SS:hh
•Date format:YY-MM-DD-dd
•RTC storage capacity:64 B
•Supply voltage-Max:3.6 V
•Supply voltage-Minimum:2.7 V
•Minimum operating temperature:-40℃
•Maximum operating temperature:+85℃
•Packaging:Tape & Reel (TR)
•Battery backup switch:Backup Switching
Ⅱ.Functions of M41ST85WMH6F
1.Temperature sensor:Integrated temperature sensor for measuring ambient temperature.
2.Real-time clock function:Provides precise timing of hours, minutes, and seconds, and can track the date and day of the week.
3.Non-volatile storage:Built-in non-volatile memory is used to store configuration, clock data and other key information, and the data will not be lost even in the event of a power outage.
4.Power management:M41ST85WMH6F has specific power requirements, including power supply voltage range and power consumption.
5.Clock calibration: Supports external clock calibration to improve clock accuracy.
6.Battery support: Supports battery backup to keep the clock running even if the main power supply is interrupted.
7.Communication interface: Communicates with the main controller through the I2C (Inter-Integrated Circuit) interface, which is a commonly used serial communication protocol.
8.Temperature compensation: Supports temperature compensation function to improve the stability and accuracy of the clock under different temperature conditions.
9.Multi-master or multi-slave configuration: Supports configuration of sharing clock information between multiple devices.
Ⅲ.Features of M41ST85WMH6F
•400 kHz I²C serial interface
•Ultralow battery supply current of 500 nA (max)
•Automatic battery switchover and WRITE protect for:
Internal serial RTC and External low power SRAM (LPSRAM)
•3.0/3.3 V operating voltage:VCC=2.7 to 3.6 V
•RoHS compliant:Lead-free second level interconnect
IV.Pin assignment of M41ST85WMH6F

•Pin1(SQW):Square wave output
•Pin2,3,4,5,6,7,11,12,17,19,21,23,24(NC):No connect
•Pin8(WDI):Watchdog input
•Pin9(RSTIN1):Reset 1 Input
•Pin10(RSTIN2):Reset 2 Input
•Pin13(PFO):Power fail output
•Pin14(VSS):Ground
•Pin15(ECON):Conditioned chip enable output
•Pin16(SDA):Serial data input/output
•Pin18(RST):Reset output (open drain)
•Pin20(SCL):Serial clock input
•Pin22(PFI):Power fail input
•Pin25(Vout):Voltage output
•Pin26(IRQ/FT/OUT):Interrupt/frequency test/out output(open drain)
•Pin27(EX):External chip enable
•Pin28(Vcc):Supply voltage
Ⅴ.Application fields of M41ST85WMH6F
1.Industrial automation: M41ST85WMH6F plays an important role in industrial automation due to its precise timing and date recording functions. In industrial automation systems, the collaborative work between devices is very critical. The M41ST85WMH6F can be used to provide accurate timestamps for devices in the system, which helps record the specific time an event occurred for fault diagnosis, production analysis and optimization. For example, if a device fails or is abnormal, you can quickly locate the time when the problem occurred by viewing the timestamp record to facilitate subsequent maintenance and repair work.
2.Medical equipment: Medical equipment needs to accurately record equipment usage and the time of related events. For example, a patient monitor needs to record the patient's vital sign data and record the time the data was collected. By using RTC chips such as M41ST85WMH6F, event times during equipment operation can be accurately recorded, ensuring data accuracy and reliability. Medical equipment often requires regular reminder and alarm functions. For example, an insulin syringe needs to remind the patient to inject insulin at a specific time, while a ventilator needs to automatically check the patient's breathing at preset intervals. M41ST85WMH6F can provide high-precision timing function to ensure that the timing reminder and alarm function of the device are accurate.
3.Automotive electronics: M41ST85WMH6F can be used as a car timer, providing high-precision timing function. For example, the fuel meter, odometer, etc. in a car require timing functions to record driving time and mileage. The M41ST85WMH6F is able to provide stable and accurate timing, ensuring that the readings of these meters are accurate and reliable.
4.Network equipment: Network switches and routers are the core equipment in computer networks. They are responsible for data transmission and routing. In these devices, time synchronization helps ensure consistency in communication and data exchange between devices in the network. RTC chips such as M41ST85WMH6F can provide high-precision clock signals for network devices and synchronize time with other devices, avoiding various problems caused by time synchronization, such as data conflicts, communication interruptions, etc. By using RTC chips such as M41ST85WMH6F, equipment such as network switches and routers can achieve more accurate and reliable time synchronization, thus improving the stability and reliability of the network. This helps ensure the efficient operation of various applications and services in the network, providing a solid foundation for enterprise business operations and users' Internet experience.
5.Communication equipment: M41ST85WMH6F can be used for time synchronization in network equipment. In a communication network, precise time synchronization is required between various devices to ensure accurate transmission of data and coordination of equipment. M41ST85WMH6F is also widely used in communication base stations. Communication base stations are an important part of the communication network and are responsible for signal reception and transmission. In communication base stations, time synchronization function is crucial to ensure accurate transmission of signals and coordination of equipment.
6.Power management system: M41ST85WMH6F can be used to record power status. In the power management system, it is necessary to monitor the power status of the device in real time, including voltage, current, power and other parameters. The M41ST85WMH6F can also be used to record event logs. In the power management system, all events and operations that occur need to be recorded, such as power on and off events, power failure, abnormal power outage, etc. RTC chips such as M41ST85WMH6F can accurately record the time when these events occur and store them together with the event data.
7.Security system: M41ST85WMH6F can be used in surveillance cameras. Surveillance cameras are an important part of the security system and are used to monitor and record scenes in real time. In surveillance cameras, RTC chips such as M41ST85WMH6F can provide accurate timestamp recording, ensuring that the time information of each video frame is accurate. M41ST85WMH6F can also be used in access control systems. Access control systems involve access control and secure access management, and usually include components such as card readers, controllers, and displays. By using RTC chips such as M41ST85WMH6F, the access control system can accurately record the timestamp of each entry and exit event, manage access records and alarm information.
8.Consumer Electronics: M41ST85WMH6F is used in TVs for time tracking and display. Modern TVs not only play video content, but also have a variety of functions, such as program recording, timestamp recording, etc. M41ST85WMH6F is also used in audio systems. The sound system is used to play audio content, such as music, voice, etc. M41ST85WMH6F is also widely used in digital cameras. Digital cameras are used to take photos and videos and have a variety of functions such as timestamp recording, shooting date display, etc.
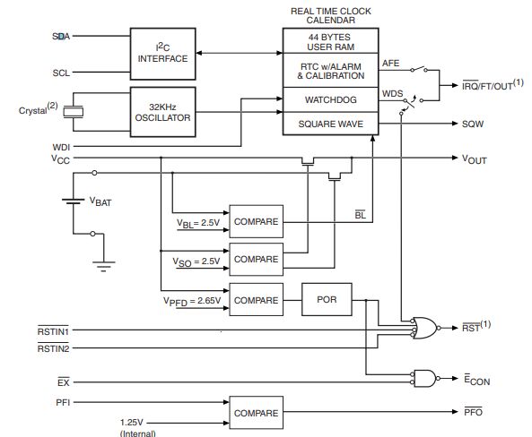
Ⅵ.Block diagram of M41ST85WMH6F

Ⅶ.Hardware hookup of M41ST85WMH6F

Ⅷ.M41ST85WMH6F alternative model
•M41ST85WMX6TR(complete replacement)
•M41ST85WMH6E(similar replacement)
•M41ST84WMQ6E(similar replacement)
Frequently Asked Questions
1.Does the M41ST85WMH6F have built-in non-volatile memory for storing configuration and clock data?
Yes, the M41ST85WMH6F is a real-time clock (RTC) chip with built-in non-volatile memory. This non-volatile memory is often used to store configuration information, clock settings and other critical data to ensure that the chip retains this important information even when power is lost.
2.What is the primary function of the M41ST85WMH6F?
The M41ST85WMH6F is a real-time clock (RTC) chip designed to track time and date in embedded systems and electronic devices.
3.Does the M41ST85WMH6F have an integrated temperature sensor?
Yes, the M41ST85WMH6F may have an integrated temperature sensor for measuring ambient temperature.