By STMicroelectronics 1424
The TL431 voltage regulator is an adjustable precision shunt voltage regulator IC that can program the output voltage by changing the value of the connected resistor. Therefore, it is called a programmable shunt regulator. The working principle of the TL431 is almost similar to that of a Zener diode, except that the voltage rating is programmable.
The TL431 is a classic programmable precision voltage reference and regulator. It is an electronic component commonly used in applications such as power supply circuits, voltage regulators, and voltage comparators to provide accurate reference voltages. The working principle of the TL431 is based on its comparator function, which compares its output voltage with an internal reference voltage and regulates the output voltage by controlling external components to maintain it at the desired level.

Ⅰ.Specification parameters of TL431
•Programmable output voltage:2.495V~36V
•Voltage reference error:±0.4%
•Operating temperature:-40℃~105℃
•Number of terminations:3
•Temperature coefficient:100 ppm/℃
•Maximum output voltage:36V
•Reference voltage:2.495V
•Minimum output voltage:2.495V
•Current - Cathode:1 mA
•Load current:1mA~100mA
•Low dynamic output impedance:0.22Ω
•Number of pins:3
•Mounting type:Through hole
•Maximum voltage temperature coefficient:82.924 ppm/°C
Ⅱ.Internal structure of TL431
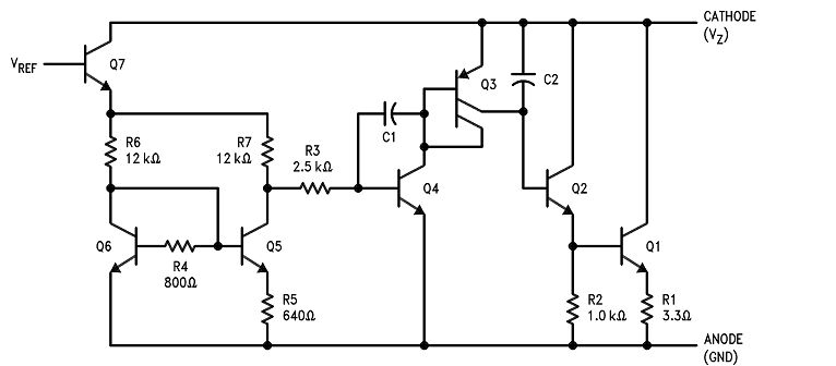
•The specific functions of TL431 are shown in the figure below. As can be seen from the figure, VI is an internal 2.5V reference source, connected to the inverting input terminal of the op amp. It can be seen from the characteristics of the op amp that only when the voltage of the REF terminal (non-inverting terminal) is higher than VI (2.5V), there will be current flowing through the transistor. When the non-inverting input voltage is less than 2.5V, the transistor is in a cut-off state (ideal state), with the slight change in the REF terminal voltage, the current through the transistor Figure 1 will change from 1mA to 100mA. Of course, this diagram is by no means the actual internal structure of the TL431, but it can be used to analyze and understand the circuit.

•TL431 internal equivalent circuit

Ⅲ. Working principle of TL431
1.Internal reference voltage: The TL431 contains a stable reference voltage source internally, usually 2.5 volts (Vref), although there are other models with different reference voltages. This reference voltage is standard for TL431.
2.Specific working principle: When the input voltage increases, the output voltage increases, resulting in an increase in output sampling. At this time, the internal circuit adjusts to increase the current flowing through itself, which also increases the current flowing through the current limiting resistor. Large, so the voltage drop of the current-limiting resistor increases, and the output voltage is equal to the input voltage minus the voltage drop of the current-limiting resistor. The increase of the input voltage and the increase of the voltage drop of the current-limiting resistor make the output voltage decrease, achieving voltage stabilization.
3.Input voltage comparison: An external circuit connects the voltage to be controlled (often called "Vin") to the anode pin of the TL431, while the internal reference voltage is connected to the cathode pin. The TL431 will compare these two voltages.
4.Output voltage adjustment: Lead the output voltage from the cathode pin of TL431 through an external resistor divider network. This resistor network allows you to program the output voltage to meet the needs of your specific application.
5.Comparison results: Based on the relative magnitude of the input voltage and the reference voltage, the comparator inside the TL431 will determine the direction of change of the output voltage. If Vin is greater than Vref, the output voltage will rise; if Vin is less than Vref, the output voltage will fall.
6.Feedback loop: TL431 adjusts the output voltage through a negative feedback loop to make it close to the internal reference voltage. By constantly comparing the input voltage to the reference voltage, the TL431 adjusts the output voltage until it matches the reference voltage.
7.Stability: The working principle of TL431 ensures that the output voltage remains very close to the reference voltage, so it provides an accurate voltage reference. It also has good temperature stability and can maintain the stability of the output voltage at different temperatures.
IV.Package diagram of TL431
•TO-92 pin connections (top view)

•SO-8 batwing pin connections (top view)

•SOT23-5 and SOT23-3 pin connections (top view)

•SOT323-6 pin connections (top view)

Ⅴ.Application of TL431
1.Battery charger: TL431 is a precision reference voltage source and programmable current driver commonly used in battery charger design. It helps ensure that battery charging voltage remains at a specific level, preventing overcharging and over-discharging. In battery charger design, one of the main functions of the TL431 is to provide an accurate voltage reference that can be used to compare battery voltages. In this way, it is possible to determine when to stop charging to prevent overcharging the battery.
2.Stabilized power supply: In the design of a regulated power supply, TL431 can be used as a reference voltage source. This reference voltage can be compared with the output voltage of the power supply. In this way, any voltage deviation can be detected and adjusted through appropriate feedback mechanisms to ensure that the output voltage remains stable. The accuracy and stability of the TL431 make it an ideal choice in many power supply designs. It can be used not only in battery charger designs, but also in other power supply applications that require precise voltage control, such as linear regulated power supplies and switching power supplies. .
3.Overvoltage protection: TL431 can be used as an overvoltage protection device in the circuit. Once the voltage exceeds the safe range, it will trigger action to prevent damage.
4.Comparator: Due to its comparator function, the TL431 can be used to compare different voltages and trigger operations such as switches or alarms based on the comparison results.
5.Switching power supply control: TL431 is usually used in combination with other components to provide a control feedback loop for the switching power supply to stabilize the output voltage.
6.Current limiter: TL431 can also be used as a current limiter in a circuit to ensure that the load current does not exceed a specific threshold.
7.Precision measurement equipment: In measurement equipment requiring a highly accurate voltage reference, the TL431 can be used as an internal or external reference source.
8.Signal conditioning: TL431 can be used in signal conditioning and calibration circuits to ensure the accuracy of measurement and control systems.
9.Audio circuit: In some audio applications, TL431 can be used to stabilize the power supply voltage to reduce noise and improve audio quality.
Ⅵ.TL431 application circuit
TL431 is a controllable precision voltage regulator. It can be regarded as a Zener diode with adjustable voltage regulation value. Its output voltage can be set to any value from Vref (2.5V) to 36V using two resistors. The typical dynamic impedance of the device is 0.20Ω. It is used to replace the Zener diode in many applications, for example, Digital voltmeter, operational amplifier circuit, adjustable voltage power supply, switching power supply, etc.
Its typical application circuit is as follows:

Just like the Zener diode circuit, the input power flows through the resistor to the TL431 and then outputs. When the voltage of VkA is less than the regulated value, the TL431 will not operate. When the voltage of VKA is greater than the regulated value, TL431 will act like a Zener diode and clamp the voltage of VKA at the regulated value. The voltage regulation value of TL431 is adjustable and is determined by the formula: VKA=(1+ R1/R2)*2.5
Ⅶ.Multimeter test TL431
1.Equipment preparation: Make sure the multimeter is working properly, select the voltage measurement mode, and make sure the measurement range is large enough to cover the output voltage of the TL431.
2.Circuit is powered off: Before performing the test, make sure the circuit to be tested is powered off and the TL431 does not have any voltage or current flowing through it.
3.Connection: Connect the probe of the multimeter to the output pin and cathode pin of the TL431. Usually, the three pins of TL431 are anode, cathode and reference. Connect the probes to the cathode and reference pins.
4.Power up the circuit: Reconnect the circuit and apply power.
5.Measure the output voltage: Use a multimeter to measure the output voltage of the TL431. The output voltage should be close to your desired reference voltage value (usually 2.5 volts). If the output voltage deviates significantly from the expected value, there may be a problem with the TL431.
6.Check the comparison function: You can test the comparison function of the TL431 by connecting the probes of the multimeter to the input pin (usually the anode) and the cathode. By comparing the input voltage and the reference voltage, you can ensure whether the TL431 can work properly.
7.Measure current: If you need to test the current characteristics of TL431, you can connect the probe of the multimeter to the current pin (usually the reference pin) and cathode pin of TL431.
Frequently Asked Questions
1.What are the advantages of TL431?
The TL431 and LM431 are relatively low-noise, stable, and low-cost shunt regulators. These can be used to build a variety of power supplies, including programmable power supplies, and the advantages are huge. You can program the output voltage using a simple switch.
2.What are the protection characteristics of TL431, and how to protect the load and circuit from damage?
The TL431 protects against excessive output voltage and can be used as a current limiter. TL431 usually does not allow reverse current to pass through. This prevents reverse current flow in the power circuit, thus protecting the circuit from damage.
3.How can you adjust the output voltage of TL431?
You can adjust the output voltage of TL431 by using an external resistor divider network connected to the TL431's control pin.
4.What are the common package types for TL431?
TL431 is available in various package types, including TO-92, TO-220, and SOT-23, among others.
5.What is the difference between TL431 and 432?
The TL432 device has the exact same functionality and electrical specifications as the TL431 device, but the pinout of the DBV, DBZ and PK packages is different.