By Infineon Technologies 873

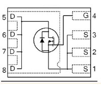
Specifically designed for automotive applications, this HEXFET® power MOSFET utilizes the latest processing techniques to achieve extremely-low on-resistance per silicon area. Additional features of this design are a 175°C junction operating temperature, fast switching speed and improved repetitive avalanche rating. These features combine to make this product an extremely efficient and reliable device for use in automotive and a wide variety of other applications.
Features and Benefits